-
Dimensões: 60x5mm.
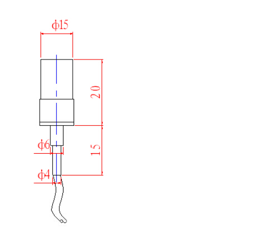
Frequência de ressonância FR: 420 kHz ± 2%
Coeficiente de acoplamento eletromecânico K33: ≥58%
Impedância ressonante ZM: ≤45 Ω
Capacitância estática CS: 5100PF ± 14% @ 1khz
Aplicação: Transdutor Piezo para análise de leite, transdutor Piezo para vibração, transdutor para dispersão de matéria,
Sensor ultra-sônico do transdutor do sonar, sensor de vibração, sensor de espessura da parede, sensor do esforço do material, sensor de pressão,
Colheita de energia elétrica, sensor de compressão, sensor de expansão de piezo e outros.
-
Nós podemos oferecer o sensor de ultra-som de 5Mhz, 8Mhz, 10Mhz, 13Mhz a: sensor usado para medir a espessura da gordura de animais de estimação ou pecuária, e medir a distância ou medir a espessura em oftalmologia.
-
Podemos oferecer 2Mhz, 4Mhz, Sensor Doppler TCD de 6Mhz. A forma do shell pode ser personalizada com base nas suas necessidades. Aplicação: esta sonda é usada para o medidor de fluxo doppler craniocervical, é boa capacidade anti-interferência e alta sensibilidade, que foi integrada com muitos fabricantes de equipamentos TCD.
-
Dimensão: Dimensão exterior: 18mm Inter Dimensão: 15mm Altura: 15mm Características do cristal piezoelétrico: 1. Baixa impedância 2. A forma de onda é estável 3. Alta eficiência de conversão eletromecânica 4. Perda dielétrica baixa 5. Calor um pequeno 6. Grande volume de pulverização 7 . A vida útil de mais de 5000 horas. 8. Acid corrosion
-
Pézoide do hemisfério: Dimensão: Diâmetro: 15mm OD do furo: 4mm Espessura da parede: 1mm Características do piezocerâmico de alta temperatura: 1. Baixa impedância 2. A forma de onda é estável 3. Alta eficiência de conversão eletromecânica 4. Perda de dielétrico baixa 5. Calor um pequeno 6 Grande volume de pulverização 7. A vida útil de mais de 5000 horas 8. Acid corrosion
-
Dimensão (diâmetro × espessura): 16mmx0.4mm Características do cristal piezoelétrico: 1. Baixa impedância 2. A forma de onda é estável 3. Alta eficiência de conversão eletromecânica 4. Perda dielétrica baixa 5. Calor um pequeno 6. Grande volume de pulverização 7. A vida de mais de 5000 horas 8. corrosão ácida
-
Dimensão: OD60mm xID30mm x Thi10mm Para máquina de solda ultra-sônica, nossos clientes geralmente pedem um anel piezo 60 x30 x10mm, 50 x 20 x 6,5 mm, estão em estoque em nossa fábrica. Entre em contato conosco o mais breve possível.
-
Dimensão: OD50mm xID20mm x Thi6.5mm Para máquina de solda ultra-sônica, nossos clientes geralmente pedem um anel piezo 60 x30 x10mm, 50 x 20 x 6,5 mm, eles estão em estoque tudo em nossa fábrica. Entre em contato conosco o mais breve possível.
-
Pézoide do Hemisfério: Dimensão: Diâmetro: 50mm OD do furo: 8mm Espessura da parede: 2mm Características do piezocerâmico de alta temperatura: 1. Baixa impedância 2. A forma de onda é estável 3. Alta eficiência de conversão eletromecânica 4. Perda de dielétrico baixa 5. Calor um pequeno 6 Grande volume de pulverização 7. A vida útil de mais de 5000 horas 8. Acid corrosion
-
Dimensão (diâmetro × espessura): 10mmx2mm Características do cristal piezoelétrico: 1. Baixa impedância 2. A forma de onda é estável 3. Alta eficiência de conversão eletromecânica 4. Perda dielétrica baixa 5. Calor um pequeno 6. Grande volume de pulverização 7. A vida de mais mais de 5000 horas 8. corrosão ácida
-
Sobre o transdutor de distância ultra-sônica, podemos oferecer um transdutor que pode detectar 1M, 3M, 4M, 5M, 8M, 12M, 20M, 30M, 50M, também podemos customizar a personalização.
-
Sobre o transdutor de distância ultra-sônica, podemos oferecer um transdutor que pode detectar 1M, 3M, 4M, 5M, 8M, 12M, 20M, 30M, 50M, também podemos customizar a personalização.
-
Tamanho: 54.5x47x40mm Aplicação: dispositivo de comunicação subaquática, hidrófono, sonar.
-