Piezo Hannas (WuHan) Tech Co, .Ltd.-Fornecedor de elementos piezocerâmicos profissionais
produtos
Você está aqui: Casa / Produtos / Transdutores ultra-sônicos / Transdutor para medidor de vazão / Braçadeira de 4 Mhz em Transdutores Ultrassônicos Piezo Externos para Medidor de Fluxo de Água

Categoria de produtos

Comentários

loading

compartilhar com:
sharethis sharing button

Braçadeira de 4 Mhz em Transdutores Ultrassônicos Piezo Externos para Medidor de Fluxo de Água

Sensores de transdutores ultrassônicos de 4MHz que não são contato com a água (prenda no tubo)
Status de disponibilidade:
Quantidade:
  • PHW-4M-01B

  • Piezohannas

  • PHW-4M-01B

Prendimento de 4MHz em transdutores ultrassônicos externos para piezo para medidor de fluxo de água 


Prendimento de 4MHz em transdutores ultrassônicos externos para piezo para medidor de fluxo de água

 


Parâmetros técnicos:

 

Itens

Parâmetros técnicos

Imagem

Nome

4MHz  transdutor ultrassônico

 

Xomwx14`wt4tshnpf  

Modelo

PhC-4m-01b

Frequência

4MHz±5%

Mínimo

Paralelo lmpedance

85Ω ±20

Capacitância

800pf±20@1KHz

 

Sensibilidade

sem carga  Tensão de direção50Vrecebendo e transmitindo

Tubo de ar de 8 mm,Recebendo amplitude  150mV

Operativo

Tensão

Pico  Tensão75Vpp

Operativo

Temperatura

-40+80

Pressão

10Quilos ou1mpa

Habitação  Material

Pi

 

Uso

interruptor de nível líquido, medidor de fluxo

Instalação

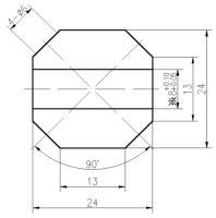
Dimensão

Veja o desenho da estrutura do produto para obter detalhes

Nível de proteção

IP68

Peso

11.5g±5% (comprimento10Cm

Instruções de ligação

     Vermelho: transdutor+, branco: transdutor-, preto: fio blindado; (sem sensor de temperatura por padrão)

Curva de admissão

Diagrama da estrutura do produto

 

3dcis_k (wk5_`wwqxrda  

L1URS5VG3PU2Z5NE7G1  

7YG69USD8PSTC3DN  




 


 



em um: 
sob um: 

Produtos quentes

Piezo Hannas (WuHan) Tech Co, .Ltd é um fabricante profissional de equipamentos ultra-sônicos, dedicado à tecnologia ultra-sônica e aplicações industriais.
 

CONTATE-NOS

Adicionar: No.456 Wu Luo Road, distrito de Wuchang, cidade de Wuhan, província de HuBei, China.
O email: sales@piezohannas.com
Telefone: +86 27 81708689
Telefone: +86 15927286589
QQ: 1553242848
Skype: ao vivo: mary_14398
       
Copyright 2018Piezo Hannas (WuHan) Tech Co, .Ltd. Todos os direitos reservados.
Produtos