| Quantidade: | |
|---|---|
PH30F0620
Piezohannas
PH30F0620
Introdução:
PH30F0620ultra-sônicoo sensor tem as funções do transmissor e do receptor. Ele'o tipo da escala longa do S.A., geralmente pode ser usado para o rangefinder ultra-sônico, sensor ultra-sônico para non-contact deteta objetos, o sensor ultra-sônico da distância, o sensor nivelado líquido ultra-sônico, etc. Se você tem quaisquer perguntas para outras aplicações, contatar-nos por favor para detalhes
Parâmetros técnicos:
Modelo | PH30F0620 |
Freqüência ressonante Center(quilohertz) | 30 KHz±2.0Khz |
Largura de faixa | 3.0Khz |
Distância da deteção | 0.6~20m |
Pontos cegos | <0.6m |
Feixe do ângulo de lançamento (- ângulo 6dB cheio) | 14±2° |
Sensível | -65acta do DB |
Capacidade eletrostática | 7000PF±20% |
Impedância paralela do mínimo | 200Ω±30% |
Tensão de funcionamento máxima (pulso - ciclo de dever de 2%) | 1800Vp-p |
Temperatura de funcionamento | - 20 ~70℃ |
Temperatura de armazenamento | - 40 ~85℃ |
Nível da proteção | IP65 |
Tamanho (diâmetro * altura, milímetros) | Φ90x103 |
A instalação | Reparado com parafuso |
Material do caso | PVC |
Comprimento de cabo | 3M (pode ser personalizado) |
Peso | 1.5quilograma |
Foto:
Dimensão do esboço:
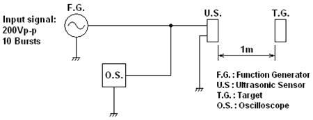
Circuito do teste:
Caraterísticas de sensores ultra-sônicos:
1.Tamanho e de pouco peso pequenos
2.Sensibilidade elevada e pressão sadia elevada
3.Consumo das baixas energias
4.Confiabilidade elevada
Caraterístico:
1.Selo firme da semelhança (PVC exterior coberta)
2.Prestação da linha da conveniência (G1”)
Aplicação:
1.Posicionar a posição
2.Aproximar a medida
3.Traficar a medida
4.Evitando obstáculos
Introdução:
PH30F0620ultra-sônicoo sensor tem as funções do transmissor e do receptor. Ele'o tipo da escala longa do S.A., geralmente pode ser usado para o rangefinder ultra-sônico, sensor ultra-sônico para non-contact deteta objetos, o sensor ultra-sônico da distância, o sensor nivelado líquido ultra-sônico, etc. Se você tem quaisquer perguntas para outras aplicações, contatar-nos por favor para detalhes
Parâmetros técnicos:
Modelo | PH30F0620 |
Freqüência ressonante Center(quilohertz) | 30 KHz±2.0Khz |
Largura de faixa | 3.0Khz |
Distância da deteção | 0.6~20m |
Pontos cegos | <0.6m |
Feixe do ângulo de lançamento (- ângulo 6dB cheio) | 14±2° |
Sensível | -65acta do DB |
Capacidade eletrostática | 7000PF±20% |
Impedância paralela do mínimo | 200Ω±30% |
Tensão de funcionamento máxima (pulso - ciclo de dever de 2%) | 1800Vp-p |
Temperatura de funcionamento | - 20 ~70℃ |
Temperatura de armazenamento | - 40 ~85℃ |
Nível da proteção | IP65 |
Tamanho (diâmetro * altura, milímetros) | Φ90x103 |
A instalação | Reparado com parafuso |
Material do caso | PVC |
Comprimento de cabo | 3M (pode ser personalizado) |
Peso | 1.5quilograma |
Foto:
Dimensão do esboço:
Circuito do teste:
Caraterísticas de sensores ultra-sônicos:
1.Tamanho e de pouco peso pequenos
2.Sensibilidade elevada e pressão sadia elevada
3.Consumo das baixas energias
4.Confiabilidade elevada
Caraterístico:
1.Selo firme da semelhança (PVC exterior coberta)
2.Prestação da linha da conveniência (G1”)
Aplicação:
1.Posicionar a posição
2.Aproximar a medida
3.Traficar a medida
4.Evitando obstáculos