Piezo Hannas (WuHan) Tech Co, .Ltd.-Fornecedor de elementos piezocerâmicos profissionais
produtos
Você está aqui: Casa / Produtos / Transdutores ultra-sônicos / Transdutor para distância / Sensor de distância ultra-sônica de 105kHz de curto alcance para medidor de nível ultrassônico

Categoria de produtos

Comentários

loading

compartilhar com:
sharethis sharing button

Sensor de distância ultra-sônica de 105kHz de curto alcance para medidor de nível ultrassônico

105KHz | 9 ° | 0.3 ~ 3m | Usado para medidor de nível ultra-sônico, transdutor ultra-sônico
Status de disponibilidade:
Quantidade:
  • PHA-105-03D.

  • Piezohannas

  • PHA-105-03D

Sensor de distância ultra-sônica de 105kHz de curto alcance para medidor de nível ultrassônico



Parâmetros técnicos:


Itens

Parâmetros técnicos

Imagem

Nome

Tipo de transdutor ultra-sônico 105khz

6g @ si)) T6GL7S ({[7B6rr

Modelo

PHA-105-03D.

Frequência

105KHz ± 5%

Distância de detecção

0.153m

Mínimo

Lmpedance paralelo

450Ω ± 20.

Capacitância.

1700PF ± 20.@ 1khz.

Sensibilidade

Tensão de condução :: 800VPP, distância: 0,6m,

Eco amplitude: 200mv

Operativo

Voltagem

Pico Voltagem1000 vpp.

Operativo

Temperatura

-40+ 80 ℃

Pressão

≤3.Quilos ou.0.3mpa.

Ângulo

(BeamWidth.)Largura de feixe de meio poder @ -3dB: 8 ° ± 2,

Ângulo afiado: 18 ° ± 3

Material habitacional

Pompa

Uso

Ultra-sônico nível medidor,Ultra-sônicoTransducer.

Instalação

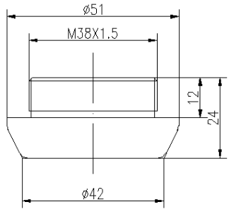
Dimensão

Fio:M38 * 1.5.

Nível de proteção

IP68.

Peso

44g ± 5.

Instruções de ligação

Tipo integrado :: Vermelho +, branco, preto: fio blindado (sensor de temperatura é opcional)

Curva de admissão

Diagrama da estrutura do produto

EL9) 1M% VRBWS $ MLFP @% __ 2Y

0ddp7rbtcrez6 $ w @ x0 $ n4ef


BloquearDiagrama do transdutor de distância ultra-sônica:


0YJG8D (6_Q9XM% 86PDG

Diagrama esquemático do sensor de temperatura:


O3`1pa5yr5% z5`dq1r.


Instrução do cabo integrado:

1. Instrução de transdutor: interface (3PIN, terminal 2.54mm)

Vermelho: transdutor +

Branco: Transdutor -

Preto: blindagem

_Se3zwy9ueoqpokbeh (E.

em um: 
sob um: 

Produtos quentes

Piezo Hannas (WuHan) Tech Co, .Ltd é um fabricante profissional de equipamentos ultra-sônicos, dedicado à tecnologia ultra-sônica e aplicações industriais.
 

CONTATE-NOS

Adicionar: No.456 Wu Luo Road, distrito de Wuchang, cidade de Wuhan, província de HuBei, China.
O email: sales@piezohannas.com
Telefone: +86 27 81708689
Telefone: +86 15927286589
QQ: 1553242848
Skype: ao vivo: mary_14398
       
Copyright 2018Piezo Hannas (WuHan) Tech Co, .Ltd. Todos os direitos reservados.
Produtos