Piezo Hannas (WuHan) Tech Co, .Ltd.-Fornecedor de elementos piezocerâmicos profissionais
produtos
Você está aqui: Casa / Produtos / Transdutores ultra-sônicos / Transdutor de profundidade / Sensor de transdutor ultra-sônico subaquático 1MHz para o medidor de vazão ultra-sônico

Categoria de produtos

Comentários

loading

compartilhar com:
sharethis sharing button

Sensor de transdutor ultra-sônico subaquático 1MHz para o medidor de vazão ultra-sônico

Aplicação: medidor de vazão ultra-sônico, Finder submarino
Status de disponibilidade:
Quantidade:
  • PHW-1M-01Z

  • Piezohannas

  • PHW-1M-01Z

Sensor de transdutor ultra-sônico subaquático 1MHz para o medidor de vazão ultra-sônico

FEC99E9987013B71BDABC89A185D5E24.


Parâmetros técnicos:

Itens

Parâmetros técnicos

Imagem

Nome

1Mhz.transdutor ultrassônico subaquático

Buzs3t1mwevk9y87k) _4ay

Dp3f @ 4ge% h @]% [WG4ZX7R1

Modelo

Ph.W-1M-01Z.

Frequência

1MHz ±.5%

Distância de detecção

0.053m

Mínimo

Lmpedance paralelo

50Ω ± 20.

Capacitância.

1750pf ± 20.@ 1khz.

Sensibilidade

Tensão de condução: 24 VPP, distância: 0,3 m,

Amplitude Echo: 700 mV

Operativo

Voltagem

Pico Voltagem<300VPP.

Operativo

Temperatura

-40+ 80 ℃

Pressão

≤3.Quilos ou. 0.3mpa.

Ângulo

(BeamWidth.) Largura de feixe de meio poder @ -3dB: 2,9 ° ± 1,

Ângulo afiado: 6,8 ° ± 2

Habitação Material

Material composto

Uso

Medidor de vazão ultra-sônico, Finder do intervalo submarino

Instalação

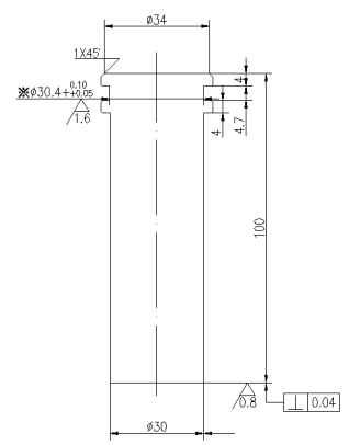
Dimensão

Veja o desenho da estrutura do produto

Nível de proteção

IP68.

Peso

110g ± 5.% (Lenxergar2m

Instruções de ligação

Branco +, fio preto, blindado;

(Sem sensor de temperatura por padrão)

Curva de admissão

Diagrama da estrutura do produto

2g] PBL %%} {CU) vt @ 2d_iv4

KRW32} KO) A5) 3 $ LA ((XAP




Production Show:


53f9611b550d7e461127c8ddb7285262.


8522ECAC3D04D4A410C37A88A67F761C.


em um: 
sob um: 

Produtos quentes

Piezo Hannas (WuHan) Tech Co, .Ltd é um fabricante profissional de equipamentos ultra-sônicos, dedicado à tecnologia ultra-sônica e aplicações industriais.
 

CONTATE-NOS

Adicionar: No.456 Wu Luo Road, distrito de Wuchang, cidade de Wuhan, província de HuBei, China.
O email: sales@piezohannas.com
Telefone: +86 27 81708689
Telefone: +86 15927286589
QQ: 1553242848
Skype: ao vivo: mary_14398
       
Copyright 2018Piezo Hannas (WuHan) Tech Co, .Ltd. Todos os direitos reservados.
Produtos