| Status de disponibilidade: | |
|---|---|
| Quantidade: | |
Ph14f145.
Piezohannas
PH14F145
![]() Transdutor de distância ultra-sônica. | ![]() Circuito do sensor de distância do transdutor | ![]() sensor de detecção de distância ultra-sônica |
Introdução:
O sensor ultra-sônico PH14F145 tem as funções do transmissor e do receptor. É um tipo de longo alcance, geralmente pode ser usado para localizador de gama ultrassônica, sensor ultra-sônico para objetos de detecção não contato, sensor de distância ultra-sônica, sensor de nível de líquido ultra-sônico, etc. Se você tiver alguma dúvida para outros aplicativos, entre em contato conosco para detalhes.
Parâmetros técnicos:
Modelo | Ph14f145. |
Freqüência de ressonância central (KHZ) | 14khz ± 2.0khz. |
Largura de banda | 1.5khz. |
Distância de detecção | 1,0 ~ 45m. |
Pontos cegos | <1,0m |
Beam de ângulo de lançamento (ângulo completo de -6db) | 15 ± 2 ° |
Confidencial | -55db min |
Capacitância eletrostática | 8000PF ± 20% |
Impedância mínima paralela | 280Ω ± 30% |
Tensão de trabalho máxima (pulso - 2% de ciclo de trabalho) | 4000VP-P. |
Temperatura de operação | -20 ~ 70 ℃ |
Temperatura de armazenamento | -40 ~ 85 ℃ |
Nível de proteção | IP65. |
Tamanho (diâmetro * Altura, mm) | φ140x235. |
Instalação | Corrigido com parafuso |
Material de caso | PVC |
Comprimento do cabo | 3 m (pode ser personalizado) |
Peso | 2,5 kg. |
Foto:
Dimensão do esboço:
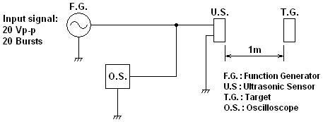
Circuito de teste:
FeAturnas de sensores ultra-sônicos:
Tamanho 1.Small e peso leve
2. alta sensibilidade e alta pressão sonora
Consumo de energia 3.Low.
4. Alta confiabilidade.
Característica:
Selo 1.Firme Semblance (cobertura externa de PVC)
2. Instalação de threadsvenience (G1 \")
Aplicativo:
Localização 1.Positição
2. Aproximação de medição
Medição 3.traffic
4.Avitando obstáculos
![]() Transdutor de distância ultra-sônica. | ![]() Circuito do sensor de distância do transdutor | ![]() sensor de detecção de distância ultra-sônica |
Introdução:
O sensor ultra-sônico PH14F145 tem as funções do transmissor e do receptor. É um tipo de longo alcance, geralmente pode ser usado para localizador de gama ultrassônica, sensor ultra-sônico para objetos de detecção não contato, sensor de distância ultra-sônica, sensor de nível de líquido ultra-sônico, etc. Se você tiver alguma dúvida para outros aplicativos, entre em contato conosco para detalhes.
Parâmetros técnicos:
Modelo | Ph14f145. |
Freqüência de ressonância central (KHZ) | 14khz ± 2.0khz. |
Largura de banda | 1.5khz. |
Distância de detecção | 1,0 ~ 45m. |
Pontos cegos | <1,0m |
Beam de ângulo de lançamento (ângulo completo de -6db) | 15 ± 2 ° |
Confidencial | -55db min |
Capacitância eletrostática | 8000PF ± 20% |
Impedância mínima paralela | 280Ω ± 30% |
Tensão de trabalho máxima (pulso - 2% de ciclo de trabalho) | 4000VP-P. |
Temperatura de operação | -20 ~ 70 ℃ |
Temperatura de armazenamento | -40 ~ 85 ℃ |
Nível de proteção | IP65. |
Tamanho (diâmetro * Altura, mm) | φ140x235. |
Instalação | Corrigido com parafuso |
Material de caso | PVC |
Comprimento do cabo | 3 m (pode ser personalizado) |
Peso | 2,5 kg. |
Foto:
Dimensão do esboço:
Circuito de teste:
FeAturnas de sensores ultra-sônicos:
Tamanho 1.Small e peso leve
2. alta sensibilidade e alta pressão sonora
Consumo de energia 3.Low.
4. Alta confiabilidade.
Característica:
Selo 1.Firme Semblance (cobertura externa de PVC)
2. Instalação de threadsvenience (G1 \")
Aplicativo:
Localização 1.Positição
2. Aproximação de medição
Medição 3.traffic
4.Avitando obstáculos