| Status de disponibilidade: | |
|---|---|
| Quantidade: | |
PHA-100-02PE-FB
Piezohannas
PHA-100-02PE-FB
Medição de distância do transdutor ultra-sônico de 100khz 2m para o medidor de nível ultrassônico
Parâmetros técnicos:
Itens | Parâmetros técnicos | Imagem | |
Nome | 100khz transdutor anticorrosivo e à prova de explosão |
| |
Modelo | Ph.A-10.0-02PE-FB. | ||
Frequência | 100Khz ±.5% | ||
Distância de detecção | 0.15~2m | ||
LMPedance paralelo mínimo | 700Ω ± 20.% | ||
2100pf ± 20.%@ 1khz. | |||
Sensibilidade | Sem carga D.riving.voleado: 3.00Vpp.,Distância:0.3m, Eco amplitude.:40mv. | ||
-40~+ 80 ℃ | |||
≤3.Quilos ou. 0.3mpa. | |||
Material habitacional | Pvdf. | ||
uso | Medidor de nível ultra-sônico, monitoramento, anticollision, segurança | ||
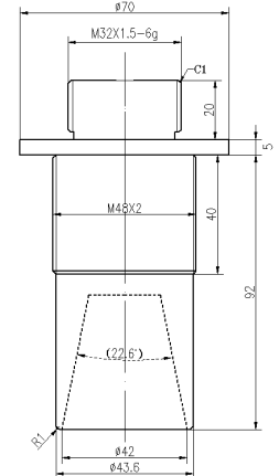
Veja o desenho da estrutura do produto para detalhes | |||
Nível de proteção | IP68. | ||
Peso | 300g ± 5.% | ||
Instruções de ligação | Interface integrada (3PIN, terminal de 2.54mm): vermelho positivo, negativo branco, fio de escudo preto; interface (3PIN, terminal 2.0mm): branco e preto para fio de sensor de temperatura (MF58); | ||
Curva de admissão | Diagrama da estrutura do produto | ||
| |||
Diagrama de bloco de transdutor de distância ultra-sônica:
Diagrama esquemático do sensor de temperatura (Modelo: mf58_502f3470):
Instrução do cabo integrado:
1. Instrução de transdutor: interface (3PIN, terminal 2.54mm)
Vermelho: transdutor +
Branco: Transdutor -
Preto: blindagem
Instrução 2.Cable de sensor de temperatura: interface (3PIN, terminal 2.0mm)
Vermelho e preto são fiação do sensor de temperatura
Tipo dividido: Cabo padrão 10M, com cada 50m adicional de cabo, a atenuação do sinal é 6dB
Instruções de fiação de três núcleos:
Vermelho: transdutor +
Azul: sensor de temperatura +
Preto: público-
Instruções de fiação de quatro núcleos:
Vermelho: transdutor +
Amarelo: transdutor-
Azul, preto: sensor de temperatura
O que vai para a fabricação de um transdutor?
O componente principal de um transdutor de profundidade é o elemento piezocerâmico. É a parte que converte pulsos elétricos em ondas sonoras, e quando os ecos retornam, o elemento piezocerâmico converte as ondas sonoras de volta em energia elétrica. Elementos piezocerâmicos são mais frequentemente em um formulário de disco, mas também podem estar em forma de uma barra ou anel. Um transdutor pode conter um elemento ou uma série de elementos ligados ao conjunto de uma matriz. Um transdutor é composto de seis componentes separados:
Em não contato de medição de nível ultrassônico, o sensor emite pulsos ultra-sônicos na direção do meio, que então reflete-os de volta.O tempo decorrido da emissão para a recepção dos sinais é proporcional ao nível no tanque. Os sensores ultra-sônicos são ideais para aplicações padrão simples, tanto para líquidos quanto para sólidos.
Medição de distância do transdutor ultra-sônico de 100khz 2m para o medidor de nível ultrassônico
Parâmetros técnicos:
Itens | Parâmetros técnicos | Imagem | |
Nome | 100khz transdutor anticorrosivo e à prova de explosão |
| |
Modelo | Ph.A-10.0-02PE-FB. | ||
Frequência | 100Khz ±.5% | ||
Distância de detecção | 0.15~2m | ||
LMPedance paralelo mínimo | 700Ω ± 20.% | ||
2100pf ± 20.%@ 1khz. | |||
Sensibilidade | Sem carga D.riving.voleado: 3.00Vpp.,Distância:0.3m, Eco amplitude.:40mv. | ||
-40~+ 80 ℃ | |||
≤3.Quilos ou. 0.3mpa. | |||
Material habitacional | Pvdf. | ||
uso | Medidor de nível ultra-sônico, monitoramento, anticollision, segurança | ||
Veja o desenho da estrutura do produto para detalhes | |||
Nível de proteção | IP68. | ||
Peso | 300g ± 5.% | ||
Instruções de ligação | Interface integrada (3PIN, terminal de 2.54mm): vermelho positivo, negativo branco, fio de escudo preto; interface (3PIN, terminal 2.0mm): branco e preto para fio de sensor de temperatura (MF58); | ||
Curva de admissão | Diagrama da estrutura do produto | ||
| |||
Diagrama de bloco de transdutor de distância ultra-sônica:
Diagrama esquemático do sensor de temperatura (Modelo: mf58_502f3470):
Instrução do cabo integrado:
1. Instrução de transdutor: interface (3PIN, terminal 2.54mm)
Vermelho: transdutor +
Branco: Transdutor -
Preto: blindagem
Instrução 2.Cable de sensor de temperatura: interface (3PIN, terminal 2.0mm)
Vermelho e preto são fiação do sensor de temperatura
Tipo dividido: Cabo padrão 10M, com cada 50m adicional de cabo, a atenuação do sinal é 6dB
Instruções de fiação de três núcleos:
Vermelho: transdutor +
Azul: sensor de temperatura +
Preto: público-
Instruções de fiação de quatro núcleos:
Vermelho: transdutor +
Amarelo: transdutor-
Azul, preto: sensor de temperatura
O que vai para a fabricação de um transdutor?
O componente principal de um transdutor de profundidade é o elemento piezocerâmico. É a parte que converte pulsos elétricos em ondas sonoras, e quando os ecos retornam, o elemento piezocerâmico converte as ondas sonoras de volta em energia elétrica. Elementos piezocerâmicos são mais frequentemente em um formulário de disco, mas também podem estar em forma de uma barra ou anel. Um transdutor pode conter um elemento ou uma série de elementos ligados ao conjunto de uma matriz. Um transdutor é composto de seis componentes separados:
Em não contato de medição de nível ultrassônico, o sensor emite pulsos ultra-sônicos na direção do meio, que então reflete-os de volta.O tempo decorrido da emissão para a recepção dos sinais é proporcional ao nível no tanque. Os sensores ultra-sônicos são ideais para aplicações padrão simples, tanto para líquidos quanto para sólidos.