| Quantidade: | |
|---|---|
PH22F0830
Piezohannas
PH22F0830
Introdução:
PH22F0830 ultra-sônicoo sensor tem as funções do transmissor e do receptor. Ele'o tipo da escala longa do S.A., geralmente pode ser usado para o rangefinder ultra-sônico, sensor ultra-sônico para non-contact deteta objetos, o sensor ultra-sônico da distância, o sensor nivelado líquido ultra-sônico, etc. Se você tem quaisquer perguntas para outras aplicações, contatar-nos por favor para detalhes
Parâmetros técnicos:
Modelo | PH22F0830 |
Freqüência ressonante Center(quilohertz) | 22KHz±2.0Khz |
Largura de faixa | 2.0Khz |
Distância da deteção | 0.8~30m |
Pontos cegos | <0.8m |
Feixe do ângulo de lançamento(- 6dB completamenteângulo) | 15±2° |
Sensível | - acta 60dB |
Capacidade eletrostática | 5000PF±20% |
Impedância paralela do mínimo | 280Ω±30% |
Tensão de funcionamento máxima (pulso - ciclo de dever de 2%) | 2800Vp-p |
Temperatura de funcionamento | - 20 ~70℃ |
Temperatura de armazenamento | - 40 ~85℃ |
Nível da proteção | IP65 |
Tamanho (diâmetro * altura, milímetros) | φ140x235 |
A instalação | Reparado com parafuso |
Material do caso | PVC |
Comprimento de cabo | 3M (pode ser personalizado) |
Peso | 2.5kg |
Foto:
Dimensão do esboço:
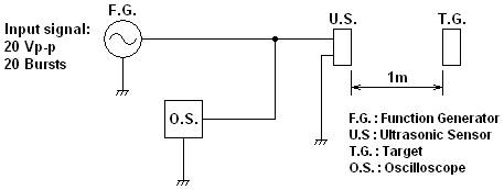
Circuito do teste:
Caraterísticas de sensores ultra-sônicos:
1.Tamanho e de pouco peso pequenos
2.Sensibilidade elevada e pressão sadia elevada
3.Consumo das baixas energias
4.Confiabilidade elevada
Caraterístico:
1.Selo firme da semelhança (PVC exterior coberta)
2.Prestação da linha da conveniência (G1”)
Aplicação:
1.Posicionar a posição
2.Aproximar a medida
3.Traficar a medida
4.Evitando obstáculos
Introdução:
PH22F0830 ultra-sônicoo sensor tem as funções do transmissor e do receptor. Ele'o tipo da escala longa do S.A., geralmente pode ser usado para o rangefinder ultra-sônico, sensor ultra-sônico para non-contact deteta objetos, o sensor ultra-sônico da distância, o sensor nivelado líquido ultra-sônico, etc. Se você tem quaisquer perguntas para outras aplicações, contatar-nos por favor para detalhes
Parâmetros técnicos:
Modelo | PH22F0830 |
Freqüência ressonante Center(quilohertz) | 22KHz±2.0Khz |
Largura de faixa | 2.0Khz |
Distância da deteção | 0.8~30m |
Pontos cegos | <0.8m |
Feixe do ângulo de lançamento(- 6dB completamenteângulo) | 15±2° |
Sensível | - acta 60dB |
Capacidade eletrostática | 5000PF±20% |
Impedância paralela do mínimo | 280Ω±30% |
Tensão de funcionamento máxima (pulso - ciclo de dever de 2%) | 2800Vp-p |
Temperatura de funcionamento | - 20 ~70℃ |
Temperatura de armazenamento | - 40 ~85℃ |
Nível da proteção | IP65 |
Tamanho (diâmetro * altura, milímetros) | φ140x235 |
A instalação | Reparado com parafuso |
Material do caso | PVC |
Comprimento de cabo | 3M (pode ser personalizado) |
Peso | 2.5kg |
Foto:
Dimensão do esboço:
Circuito do teste:
Caraterísticas de sensores ultra-sônicos:
1.Tamanho e de pouco peso pequenos
2.Sensibilidade elevada e pressão sadia elevada
3.Consumo das baixas energias
4.Confiabilidade elevada
Caraterístico:
1.Selo firme da semelhança (PVC exterior coberta)
2.Prestação da linha da conveniência (G1”)
Aplicação:
1.Posicionar a posição
2.Aproximar a medida
3.Traficar a medida
4.Evitando obstáculos