| Status de disponibilidade: | |
|---|---|
| Quantidade: | |
PHW-1M-01N
Piezohannas
PHW-1M-01N
Transdutor ultra-sônico subaquático de 1MHz para o medidor de vazão ultra-sônico
Parâmetros técnicos:
Itens | Parâmetros técnicos | Imagem | |
Nome | 1MHz. transdutor ultrassônico subaquático |
| |
Modelo | Ph.W-1M-01N | ||
Frequência | 1MHz.±5% | ||
Distância de detecção | 0.05~3m | ||
Mínimo Lmpedance paralelo | 170Ω ± 20.% | ||
1100pf ± 20.%@ 1khz. | |||
Sensibilidade | Emittin.gVoltagem 24Vp.P, Distância: 0.3m, Amplitude Echo: 500mV | ||
-40~+ 80 ℃ | |||
≤3kilos ou 0,3 mp.a | |||
| (BeamWidth.)Largura de feixe de meio-potência @ -3dB: 5 ° ± 1, Ângulo afiado: 11 ° ± 2 | ||
Habitação Material | Material composto | ||
Uso | Medidor de vazão ultra-sônico, Finder do intervalo submarino | ||
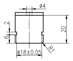
Veja o desenho da estrutura do produto | |||
Nível de proteção | IP68. | ||
Peso | 13g ± 5.%(Comprimento: 25cm) | ||
Instruções de ligação | Tipo integrado: vermelho +, branco, preto: fio blindado; (Sem sensor de temperatura por padrão) | ||
Curva de admissão | Diagrama da estrutura do produto | ||
|
| ||
Diagrama esquemático de circuito de teste
Diagrama esquemático do sensor de temperatura do transdutor
Aplicação de medidores de fluxo de água ultra-sônica:
Medidores de fluxo de água ultra-sônica medem a velocidade do fluido que passa através do tubo usando o ultra-som para medir o fluxo volumétrico. Em um medidor de fluxo líquido ultrassônico em tempo de trângulo, um sinal ultrassônico é transmitido na direção do fluido fluido a jusante, e então outro sinal é transmitido contra o fluido fluido a montante. Em sua forma mais básica, o tempo para o pulso sônico viajar a jusante é comparado ao tempo para o pulso para viajar a montante. Usando este tempo diferencial, a velocidade do fluido a seguir é calculada. Em seguida, o medidor calcula a vazão volumétrica no tubo usando esta velocidade fluida. Além disso, a medição da energia BTU pode ser derivada da taxa volumétrica e da diferença de temperatura entre as pernas quentes e frigidas. Os metros ultra-sônicos de braçadeira podem medir a água de fora do tubo, disparando pulsos de som através das paredes do tubo, tendo assim flexibilidade de aplicação e tornando-os adequados para medições de fluxo de água em tubos grandes.
Transdutor ultra-sônico subaquático de 1MHz para o medidor de vazão ultra-sônico
Parâmetros técnicos:
Itens | Parâmetros técnicos | Imagem | |
Nome | 1MHz. transdutor ultrassônico subaquático |
| |
Modelo | Ph.W-1M-01N | ||
Frequência | 1MHz.±5% | ||
Distância de detecção | 0.05~3m | ||
Mínimo Lmpedance paralelo | 170Ω ± 20.% | ||
1100pf ± 20.%@ 1khz. | |||
Sensibilidade | Emittin.gVoltagem 24Vp.P, Distância: 0.3m, Amplitude Echo: 500mV | ||
-40~+ 80 ℃ | |||
≤3kilos ou 0,3 mp.a | |||
| (BeamWidth.)Largura de feixe de meio-potência @ -3dB: 5 ° ± 1, Ângulo afiado: 11 ° ± 2 | ||
Habitação Material | Material composto | ||
Uso | Medidor de vazão ultra-sônico, Finder do intervalo submarino | ||
Veja o desenho da estrutura do produto | |||
Nível de proteção | IP68. | ||
Peso | 13g ± 5.%(Comprimento: 25cm) | ||
Instruções de ligação | Tipo integrado: vermelho +, branco, preto: fio blindado; (Sem sensor de temperatura por padrão) | ||
Curva de admissão | Diagrama da estrutura do produto | ||
|
| ||
Diagrama esquemático de circuito de teste
Diagrama esquemático do sensor de temperatura do transdutor
Aplicação de medidores de fluxo de água ultra-sônica:
Medidores de fluxo de água ultra-sônica medem a velocidade do fluido que passa através do tubo usando o ultra-som para medir o fluxo volumétrico. Em um medidor de fluxo líquido ultrassônico em tempo de trângulo, um sinal ultrassônico é transmitido na direção do fluido fluido a jusante, e então outro sinal é transmitido contra o fluido fluido a montante. Em sua forma mais básica, o tempo para o pulso sônico viajar a jusante é comparado ao tempo para o pulso para viajar a montante. Usando este tempo diferencial, a velocidade do fluido a seguir é calculada. Em seguida, o medidor calcula a vazão volumétrica no tubo usando esta velocidade fluida. Além disso, a medição da energia BTU pode ser derivada da taxa volumétrica e da diferença de temperatura entre as pernas quentes e frigidas. Os metros ultra-sônicos de braçadeira podem medir a água de fora do tubo, disparando pulsos de som através das paredes do tubo, tendo assim flexibilidade de aplicação e tornando-os adequados para medições de fluxo de água em tubos grandes.