| Status de disponibilidade: | |
|---|---|
| Quantidade: | |
Phw-750-como
Piezohannas
PHW-750-AS
Transdutor ultra-sônico subaquático de 750KHz para o sensor de nível de líquido
Parâmetros técnicos:
Itens | Parâmetros técnicos | Imagem | |
Nome | Transdutor ultra-sônico subaquático 750KHz |
| |
Modelo | Ph.C-750-AS. | ||
Frequência | 750k.Hz ±.5% | ||
Detectando a distância | 0.30~15m. | ||
LMPedance paralelo mínimo | 200Ω ± 20.% | ||
1500pf ± 20.%@ 1khz. | |||
Sensibilidade | driving.voleado:23V、Distância:0.3m、Eco amplitude.: 200 mV | ||
-10~+50 ℃. | |||
(BeamWidth.) Largura de feixe de meio-potência @ -3dB:4.4°10%, Ângulo agudo:10°10% | |||
Material habitacional | 304 | ||
uso | Finder do intervalo submarino | ||
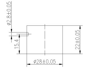
Veja o desenho da estrutura do produto para detalhes | |||
Nível de proteção | IP68. | ||
Peso | 46g ± 5.% (comprimento do fio:2.5m) | ||
Instruções de ligação | Branco: Transdutor +, preto: transdutor -; | ||
Curva de admissão | Diagrama da estrutura do produto | ||
| |||
Diagrama de bloco de transdutor ultra-sônico:
Diagrama esquemático do sensor de temperatura (Modelo: mf58_502f3470):
Instrução do cabo integrado:
1. Instrução de transdutor: interface (3PIN, terminal 2.54mm)
Vermelho: transdutor +
Branco: Transdutor -
Preto: blindagem
Instrução 2.Cable de sensor de temperatura: interface (3PIN, terminal 2.0mm)
Vermelho e preto são fiação do sensor de temperatura
Tipo dividido: Cabo padrão 10M, com cada 50m adicional de cabo, a atenuação do sinal é 6dB
Instruções de fiação de três núcleos:
Vermelho: transdutor +
Azul: sensor de temperatura +
Preto: público-
Instruções de fiação de quatro núcleos:
Vermelho: transdutor +
Amarelo: transdutor-
Azul, preto: sensor de temperatura
Transdutor ultra-sônico subaquático de 750KHz para o sensor de nível de líquido
Parâmetros técnicos:
Itens | Parâmetros técnicos | Imagem | |
Nome | Transdutor ultra-sônico subaquático 750KHz |
| |
Modelo | Ph.C-750-AS. | ||
Frequência | 750k.Hz ±.5% | ||
Detectando a distância | 0.30~15m. | ||
LMPedance paralelo mínimo | 200Ω ± 20.% | ||
1500pf ± 20.%@ 1khz. | |||
Sensibilidade | driving.voleado:23V、Distância:0.3m、Eco amplitude.: 200 mV | ||
-10~+50 ℃. | |||
(BeamWidth.) Largura de feixe de meio-potência @ -3dB:4.4°10%, Ângulo agudo:10°10% | |||
Material habitacional | 304 | ||
uso | Finder do intervalo submarino | ||
Veja o desenho da estrutura do produto para detalhes | |||
Nível de proteção | IP68. | ||
Peso | 46g ± 5.% (comprimento do fio:2.5m) | ||
Instruções de ligação | Branco: Transdutor +, preto: transdutor -; | ||
Curva de admissão | Diagrama da estrutura do produto | ||
| |||
Diagrama de bloco de transdutor ultra-sônico:
Diagrama esquemático do sensor de temperatura (Modelo: mf58_502f3470):
Instrução do cabo integrado:
1. Instrução de transdutor: interface (3PIN, terminal 2.54mm)
Vermelho: transdutor +
Branco: Transdutor -
Preto: blindagem
Instrução 2.Cable de sensor de temperatura: interface (3PIN, terminal 2.0mm)
Vermelho e preto são fiação do sensor de temperatura
Tipo dividido: Cabo padrão 10M, com cada 50m adicional de cabo, a atenuação do sinal é 6dB
Instruções de fiação de três núcleos:
Vermelho: transdutor +
Azul: sensor de temperatura +
Preto: público-
Instruções de fiação de quatro núcleos:
Vermelho: transdutor +
Amarelo: transdutor-
Azul, preto: sensor de temperatura