| Status de disponibilidade: | |
|---|---|
| Quantidade: | |
Ph7708-1.
PH7708-1
Transformador universal de 40khz para transdutor ultra-sônico
Esta especificação inclui tamanho de transformador PH7708-1, características, parâmetros de desempenho e precauções. É compatível com sensores ultra-sônicos de 40kHz. Antes de usar este produto, leia esta especificação.
Imagem:
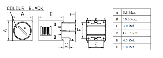
Dimensão:
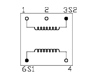
Circuito (inferior):
Materiais e enrolamento:
ITENS | Materiais | Fabricantes | Ul não. | |
ENROLAMENTO | 6-4. | 3-1. | ||
Vira | 61TS. | 427S. | ||
ARAME | Φ0.08mm (2uew) | Gyhx. | E233255. | |
ESSENCIAL | ª 4,9 × 5 ou equivalente | FY. | N / D | |
CASO | KSC-754Z ou equivalente | WP. | N / D | |
BOBINA | KSB-754Z ou equivalente | WP. | N / D | |
CAP CORE | P 7.2 × 6,8 ou equivalente | FY. | N / D | |
CARACTERÍSTICAS:
ITENS | Especificação | Condições de teste | Instrumentos de medição |
INDUTÂNCIA | 9MH ± 5% |
40khz. |
MQ-1601. |
Descarregado Q. | 70 min. |
DADOS DE TESTE:
Instrumentos de teste: CH-1062 CH-502A QBG-3D
MQ-1601 MQ-171
Condições de teste: com base na especificação. Temperatura do teste: 25 ℃ ± 5 ℃ Umidade relativa: 63% ~ 67%
SPEC |
CARACTERÍSTICAS ELÉTRICAS | Dimensões (mm) | ||||||
L | Q | A | B | C | D | E | F | |
9mh | 70 | 8.8 | 10.0 | 3.0 | Ø 0.5. | 4.5 | 1.0 | |
± 5% | Min | Max. | Max. | Ref. | Ref. | Ref. | Ref. | |
1 | 8.55 | 110.0 | 8.56 | 9.63 | 3.0 | 0.5 | 4.5 | 1.0 |
2 | 8.73 | 99.0 | 8.57 | 9.77 | 3.0 | 0.5 | 4.5 | 1.0 |
3 | 8.96 | 101.0 | ||||||
4 | 9.36 | 110.0 | ||||||
5 | 9.48 | 119.0 | ||||||
Max. | 9.48 | 119.0 | ||||||
Min. | 8.55 | 99.0 | ||||||
R | 0.93 | 20.0 | ||||||
X | 9.02 | 107.8 | ||||||
DETERMINADO | OK | OK | OK | OK | OK | OK | OK | OK |
Transformador universal de 40khz para transdutor ultra-sônico
Esta especificação inclui tamanho de transformador PH7708-1, características, parâmetros de desempenho e precauções. É compatível com sensores ultra-sônicos de 40kHz. Antes de usar este produto, leia esta especificação.
Imagem:
Dimensão:
Circuito (inferior):
Materiais e enrolamento:
ITENS | Materiais | Fabricantes | Ul não. | |
ENROLAMENTO | 6-4. | 3-1. | ||
Vira | 61TS. | 427S. | ||
ARAME | Φ0.08mm (2uew) | Gyhx. | E233255. | |
ESSENCIAL | ª 4,9 × 5 ou equivalente | FY. | N / D | |
CASO | KSC-754Z ou equivalente | WP. | N / D | |
BOBINA | KSB-754Z ou equivalente | WP. | N / D | |
CAP CORE | P 7.2 × 6,8 ou equivalente | FY. | N / D | |
CARACTERÍSTICAS:
ITENS | Especificação | Condições de teste | Instrumentos de medição |
INDUTÂNCIA | 9MH ± 5% |
40khz. |
MQ-1601. |
Descarregado Q. | 70 min. |
DADOS DE TESTE:
Instrumentos de teste: CH-1062 CH-502A QBG-3D
MQ-1601 MQ-171
Condições de teste: com base na especificação. Temperatura do teste: 25 ℃ ± 5 ℃ Umidade relativa: 63% ~ 67%
SPEC |
CARACTERÍSTICAS ELÉTRICAS | Dimensões (mm) | ||||||
L | Q | A | B | C | D | E | F | |
9mh | 70 | 8.8 | 10.0 | 3.0 | Ø 0.5. | 4.5 | 1.0 | |
± 5% | Min | Max. | Max. | Ref. | Ref. | Ref. | Ref. | |
1 | 8.55 | 110.0 | 8.56 | 9.63 | 3.0 | 0.5 | 4.5 | 1.0 |
2 | 8.73 | 99.0 | 8.57 | 9.77 | 3.0 | 0.5 | 4.5 | 1.0 |
3 | 8.96 | 101.0 | ||||||
4 | 9.36 | 110.0 | ||||||
5 | 9.48 | 119.0 | ||||||
Max. | 9.48 | 119.0 | ||||||
Min. | 8.55 | 99.0 | ||||||
R | 0.93 | 20.0 | ||||||
X | 9.02 | 107.8 | ||||||
DETERMINADO | OK | OK | OK | OK | OK | OK | OK | OK |