| Quantidade: | |
|---|---|
PH80F0256b
Piezohannas
PH80F0256b
Introdução:
PH80F0256b uo sensor ltrasonic tem as funções do transmissor e do receptor. É um tipo da escala longa, geralmente pode ser usado para o rangefinder ultra-sônico, sensor ultra-sônico para o No.n-contatar detetam objetos, o sensor ultra-sônico da distância, o sensor nivelado líquido ultra-sônico, etc. Se você tem quaisquer perguntas para outras aplicações, contatar-nos por favor para detalhes
Parâmetros técnicos:
Modelo | PH80F0256b |
Freqüência ressonante Center(quilohertz) | 80KHz±3.0Khz |
Largura de faixa | 5.0Khz |
Distância da deteção | 0.25~6m |
Pontos cegos | <0.25m |
Feixe do ângulo de lançamento (- ângulo 6dB cheio) | 7±2° |
Sensível | - acta 64dB |
Capacidade eletrostática | 1600PF±20% |
Impedância paralela do mínimo | 150Ω±30% |
Tensão de funcionamento máxima (pulso - ciclo de dever de 2%) | 500Vp-p |
Temperatura de funcionamento | - 20 ~80℃ |
Temperatura de armazenamento | - 40 ~85℃ |
Nível da proteção | IP65 |
Tamanho (diâmetro * altura, milímetros) | Φ60x15 |
A instalação | Ciclo externo reparado |
Material do caso | Alumínio |
Comprimento de cabo | 0.2m (pode ser personalizado) |
Peso | 50g |
Foto:
Dimensão do esboço:
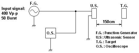
Circuito do teste:
Caraterísticas de sensores ultra-sônicos:
1.Tamanho e de pouco peso pequenos
2.Sensibilidade elevada e pressão sadia elevada
3.Consumo das baixas energias
4.Higconfiabilidade de h
Caraterístico:
1.Solid escudo do pacote (ABS ou liga de alumínio)
2.Installation expediente (parafuso M20*1.5)
Aplicação:
1.Posicionar a posição
2.Aproximar a medida
3.Traficar a medida
4.Evitando obstáculos
Introdução:
PH80F0256b uo sensor ltrasonic tem as funções do transmissor e do receptor. É um tipo da escala longa, geralmente pode ser usado para o rangefinder ultra-sônico, sensor ultra-sônico para o No.n-contatar detetam objetos, o sensor ultra-sônico da distância, o sensor nivelado líquido ultra-sônico, etc. Se você tem quaisquer perguntas para outras aplicações, contatar-nos por favor para detalhes
Parâmetros técnicos:
Modelo | PH80F0256b |
Freqüência ressonante Center(quilohertz) | 80KHz±3.0Khz |
Largura de faixa | 5.0Khz |
Distância da deteção | 0.25~6m |
Pontos cegos | <0.25m |
Feixe do ângulo de lançamento (- ângulo 6dB cheio) | 7±2° |
Sensível | - acta 64dB |
Capacidade eletrostática | 1600PF±20% |
Impedância paralela do mínimo | 150Ω±30% |
Tensão de funcionamento máxima (pulso - ciclo de dever de 2%) | 500Vp-p |
Temperatura de funcionamento | - 20 ~80℃ |
Temperatura de armazenamento | - 40 ~85℃ |
Nível da proteção | IP65 |
Tamanho (diâmetro * altura, milímetros) | Φ60x15 |
A instalação | Ciclo externo reparado |
Material do caso | Alumínio |
Comprimento de cabo | 0.2m (pode ser personalizado) |
Peso | 50g |
Foto:
Dimensão do esboço:
Circuito do teste:
Caraterísticas de sensores ultra-sônicos:
1.Tamanho e de pouco peso pequenos
2.Sensibilidade elevada e pressão sadia elevada
3.Consumo das baixas energias
4.Higconfiabilidade de h
Caraterístico:
1.Solid escudo do pacote (ABS ou liga de alumínio)
2.Installation expediente (parafuso M20*1.5)
Aplicação:
1.Posicionar a posição
2.Aproximar a medida
3.Traficar a medida
4.Evitando obstáculos