Piezo Hannas (WuHan) Tech Co, .Ltd.-Fornecedor de elementos piezocerâmicos profissionais
produtos
Você está aqui: Casa / Produtos / Transdutores ultra-sônicos / Transdutor para distância / sensor ultra-sônico de alta freqüência da distância 200KHz para o sensor ultra-sônico do vento

Categoria de produtos

Comentários

loading

compartilhar com:
sharethis sharing button

sensor ultra-sônico de alta freqüência da distância 200KHz para o sensor ultra-sônico do vento

200KHz |30° |0.1~1m |usado para o sensor ultra-sônico do vento para que o anemómetro ultra-sônico meça inteligente a velocidade do vento e o sentido, seja usado extensamente na monitoração meteorológica, as pontes, o túnel, a mina e os navegadores, etc.

Sobre o transdutor ultra-sônico da distância, nós podemos oferecer 14Khz 22Khz 40Khz 50Khz 75Khz 80Khz 125Khz 200Khz 300Khz 400Khz quanto para à freqüência ressonante, igualmente nós podemos personalização do accpet
Quantidade:
  • PH200F011

  • Piezohannas

  • PH200F011

Introdução:

PH200F011 tem as funções do transmissor e do receptor. Geralmente pode ser usado para o sensor ultra-sônico do vento para que o anemómetro ultra-sônico meça inteligente a velocidade do vento e o sentido, seja usado extensamente na monitoração meteorológica, as pontes, o túnel, a mina e os navegadores, etc. Se você tem quaisquer perguntas para outras aplicações, contatar-nos por favor para detalhes



Parâmetros técnicos:


Artigo

Parâmetro

Construção

Alta freqüência

Using o método

Receptor e transmissor (de dupla utilização)

Freqüência nominal

200.0±8.0KHz

Largura de faixa

20.0KHz

Sensibilidade

- 80dB Min.

Min. Resistência paralela

600Ω±30%

Capacidade

400Pf±20%

Tensão de entrada máxima

500Vp-p

Diretividade

30°±2°(- 6dB)

Distância da deteção

0.1~1m

Nível da proteção

IP68

Temperatura de funcionamento

-20~+80

Temperatura de armazenamento

-40~+85

Material da tampa

Aço inoxidável




Dimensão do esboço:


6 {] V204J4Q {PMUK}} OTKLA.png

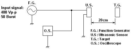
Circuito do teste:



`@OOR5EPMAAG.png de @F0XJDM4%

Caraterísticas de sensores ultra-sônicos:

1.Tamanho e de pouco peso pequenos

2.Sensibilidade elevada e pressão sadia elevada

3.Consumo das baixas energias

4.Higconfiabilidade de h





em um: 
sob um: 

Produtos quentes

Piezo Hannas (WuHan) Tech Co, .Ltd é um fabricante profissional de equipamentos ultra-sônicos, dedicado à tecnologia ultra-sônica e aplicações industriais.
 

CONTATE-NOS

Adicionar: No.456 Wu Luo Road, distrito de Wuchang, cidade de Wuhan, província de HuBei, China.
O email: sales@piezohannas.com
Telefone: +86 27 81708689
Telefone: +86 15927286589
QQ: 1553242848
Skype: ao vivo: mary_14398
       
Copyright 2018Piezo Hannas (WuHan) Tech Co, .Ltd. Todos os direitos reservados.
Produtos